Thermostat réfrigérateur ISOTHERM COMPACT RM1050
- alainplace
- Membre
- Messages : 756
- Inscription : 21 janv. 2010, 16:42
- Bateau : Hatoup, RM 1200, n° 13
- Localisation : Arzal
Re: Thermostat réfrigérateur ISOTHERM COMPACT RM1050
le fait de faire tourner le groupe sans refroidissement efficace modifie certainement son comportement, en particulier l'état et la viscosité du réfrigérant dans le compresseur... Il vaut mieux que tu attendes d'être de retour dans l'eau pour te fixer définitivement.
- Luc GUERIN
- Membre
- Messages : 119
- Inscription : 29 nov. 2007, 10:21
- Bateau : RM 1050 Mezzo-piano N°62
- Localisation : Le Crouesty
Re: Thermostat réfrigérateur ISOTHERM COMPACT RM1050
Bonjour François,
Coïncidence, je viens juste de commander le thermostat H-Tronic que je devrais bientôt recevoir...
Où et comment as-tu fixé la sonde de température ? (Je ne sais pas si le frigo du 10.60 de JF est le même que celui de nos 10.50...)
A+
Luc
Coïncidence, je viens juste de commander le thermostat H-Tronic que je devrais bientôt recevoir...
Où et comment as-tu fixé la sonde de température ? (Je ne sais pas si le frigo du 10.60 de JF est le même que celui de nos 10.50...)
A+
Luc
- Francois DUGAS
- Membre
- Messages : 293
- Inscription : 04 août 2006, 17:42
- Bateau : Meggy 2, RM 1050, n° 79
- Localisation : Baden
Re: Thermostat réfrigérateur ISOTHERM COMPACT RM1050
Je viens de constater que :
Avec la sonde d'origine, la consommation est de 2,8 A
Avec la nouvelle sonde, la consommation est de 4,8 A soit 1.7 fois plus importante.
J'ai effectué ce test plusieurs fois avec toujours des valeurs identiques.
TRÈS DÉCEVANT... CE N'ÉTAIT PAS LE BUT RECHERCHÉ.
On aurait besoin de l'avis d'un spécialiste en électricité.
Merci d'avance de nous éclairer sur le sujet.
Avec la sonde d'origine, la consommation est de 2,8 A
Avec la nouvelle sonde, la consommation est de 4,8 A soit 1.7 fois plus importante.
J'ai effectué ce test plusieurs fois avec toujours des valeurs identiques.
TRÈS DÉCEVANT... CE N'ÉTAIT PAS LE BUT RECHERCHÉ.
On aurait besoin de l'avis d'un spécialiste en électricité.
Merci d'avance de nous éclairer sur le sujet.
- Francois DUGAS
- Membre
- Messages : 293
- Inscription : 04 août 2006, 17:42
- Bateau : Meggy 2, RM 1050, n° 79
- Localisation : Baden
Re: Thermostat réfrigérateur ISOTHERM COMPACT RM1050
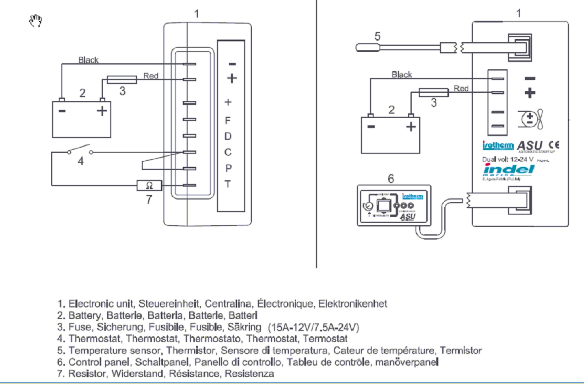
Peut être qu'il suffirait d'installer un relais commandé par le thermostat électronique, et qui connecterait les deux fils bleu et marron de la sonde ?
La consommation supplémentaire serait peut-être plus faible dans ce cas...
La consommation supplémentaire serait peut-être plus faible dans ce cas...
- Pierre et Dolores
- Membre
- Messages : 375
- Inscription : 31 oct. 2008, 13:07
- Bateau : 2cats, RM 1200, n° 3
- Localisation : Cherbourg
Re: Thermostat réfrigérateur ISOTHERM COMPACT RM1050
Bonjour Francois,
A ta disposition pour quelque explications.
En premier pas possible de faire fonctionner un système réfrigérant en dehors de l'eau. En effet il faut refroidir le gaz pour pouvoir le compresser a nouveau. Donc pas d'essais en dehors de l'eau.
Maintenant le pourquoi de la différence de consommation entre les deux sondes? A ce stade de tes explications, si le compresseur fonctionne de manière identique pendant les deux essais, cela ne s'explique pas.
Le fonctionnement de la sonde (On doit appeler cela un thermostat) est de fermer ou ouvrir un contact qui lui amène la tension aux bornes du compresseur. Donc a fonctionnement identique du compresseur le type de sonde n'as pas d'effet sur la consommation. FAIRE ATTENTION AU CÂBLAGE SECTION DES FILS ET CHUTE DE TENSION AUX BORNES DU COMPRESSEUR.
Dans le cas du thermostat électronique il faut ajouter la consomation du circuit electronique du thermostat lui même mais qui est de quelque watts et cela se mesure quand le compresseur est a l'arret. (Température suffisante dans le frigo).
Méthode de dépannage:
A savoir:
Bateau a l'eau si système frigoboat ou identique.
Faire tous les tests a suivre.
Batterie connectée au chargeur de quai depuis au moins une heure. (Tension haute).
Alimenter le frigo en direct et mesurer la tension au bornes du moteur ET le courant avec un amperemètre (Multimètre) a l'aide des fils de mesure.
Idem thermostat mécanique
Idem thermostat électronique.
Possibles conclusions: Si tension différentes aux bornes du moteur cela explique une consommation plus faible avec possibilité de griller le compresseur. Ci dessous la doc d'un compresseur 12V.
A te lire,
Amicalement
A ta disposition pour quelque explications.
En premier pas possible de faire fonctionner un système réfrigérant en dehors de l'eau. En effet il faut refroidir le gaz pour pouvoir le compresser a nouveau. Donc pas d'essais en dehors de l'eau.
Maintenant le pourquoi de la différence de consommation entre les deux sondes? A ce stade de tes explications, si le compresseur fonctionne de manière identique pendant les deux essais, cela ne s'explique pas.
Le fonctionnement de la sonde (On doit appeler cela un thermostat) est de fermer ou ouvrir un contact qui lui amène la tension aux bornes du compresseur. Donc a fonctionnement identique du compresseur le type de sonde n'as pas d'effet sur la consommation. FAIRE ATTENTION AU CÂBLAGE SECTION DES FILS ET CHUTE DE TENSION AUX BORNES DU COMPRESSEUR.
Dans le cas du thermostat électronique il faut ajouter la consomation du circuit electronique du thermostat lui même mais qui est de quelque watts et cela se mesure quand le compresseur est a l'arret. (Température suffisante dans le frigo).
Méthode de dépannage:
A savoir:
Bateau a l'eau si système frigoboat ou identique.
Faire tous les tests a suivre.
Batterie connectée au chargeur de quai depuis au moins une heure. (Tension haute).
Alimenter le frigo en direct et mesurer la tension au bornes du moteur ET le courant avec un amperemètre (Multimètre) a l'aide des fils de mesure.
Idem thermostat mécanique
Idem thermostat électronique.
Possibles conclusions: Si tension différentes aux bornes du moteur cela explique une consommation plus faible avec possibilité de griller le compresseur. Ci dessous la doc d'un compresseur 12V.
A te lire,
Amicalement
Pierre et Dolores
- Jean Michel
- Membre
- Messages : 1984
- Inscription : 24 févr. 2006, 09:24
- Bateau : Salouti², RM 1050, n° 105
- Localisation : Kerners (golfe Morbihan)
- Contact :
Re: Thermostat réfrigérateur ISOTHERM COMPACT RM1050
Bonjour
Il est tout à fait possible de faire fonctionner le frigo Indel Marine bateau au sec
La notice l'indique :
https://rm-asso.org/tous-rm-manuel-dins ... eur-indel/
Par contre le rendement est beaucoup moins bon que dans l'eau.
Cela explique peut-être la différence de conso.
Je ne vois pas en quoi un thermostat différent peut faire varier la conso instantanée.
JM
Il est tout à fait possible de faire fonctionner le frigo Indel Marine bateau au sec
La notice l'indique :
https://rm-asso.org/tous-rm-manuel-dins ... eur-indel/
Par contre le rendement est beaucoup moins bon que dans l'eau.
Cela explique peut-être la différence de conso.
Je ne vois pas en quoi un thermostat différent peut faire varier la conso instantanée.
JM
-
pito
- Membre
- Messages : 48
- Inscription : 30 mai 2010, 20:10
- Bateau : Kermoam, RM 1060, n° 36
- Localisation : Séte
Re: Thermostat réfrigérateur ISOTHERM COMPACT RM1050
Bonjour François,
Je pense qu'il y a une résistance en série avec le contact du thermostat permettant d'ajuster la vitesse de rotation du moteur.
Ci joint une partie de la doc du groupe en fichier joint.
Cela peut peut être t'aider
Cordialement
Marc
Je pense qu'il y a une résistance en série avec le contact du thermostat permettant d'ajuster la vitesse de rotation du moteur.
Ci joint une partie de la doc du groupe en fichier joint.
Cela peut peut être t'aider
Cordialement
Marc
- Pièces jointes
-
- ScreenHunter_242 Apr. 03 17.33.jpg (199.46 Kio) Consulté 17052 fois
Dernière modification par pito le 03 avr. 2024, 20:43, modifié 1 fois.
Marc
-
pito
- Membre
- Messages : 48
- Inscription : 30 mai 2010, 20:10
- Bateau : Kermoam, RM 1060, n° 36
- Localisation : Séte
Re: Thermostat réfrigérateur ISOTHERM COMPACT RM1050
Re bonsoir François,
En complément de mon post tu peux voir cet article https://www.hisse-et-oh.com/sailing/reg ... sseur-bd35 qui explique les différents régimes du groupe en fonction de la résistance R7 en série avec le contact du thermostat. Ceci devrait expliquer les différences d'intensité que tu constates.Je pense que tu peux insérer une même valeur de résistance pour retrouver le courant précédent.
Dis moi si cela fonctionne
Merci
En complément de mon post tu peux voir cet article https://www.hisse-et-oh.com/sailing/reg ... sseur-bd35 qui explique les différents régimes du groupe en fonction de la résistance R7 en série avec le contact du thermostat. Ceci devrait expliquer les différences d'intensité que tu constates.Je pense que tu peux insérer une même valeur de résistance pour retrouver le courant précédent.
Dis moi si cela fonctionne
Merci
Marc
- Pierre et Dolores
- Membre
- Messages : 375
- Inscription : 31 oct. 2008, 13:07
- Bateau : 2cats, RM 1200, n° 3
- Localisation : Cherbourg
Re: Thermostat réfrigérateur ISOTHERM COMPACT RM1050
Désolé je me retiré de la discussion.
A+
A+
Pierre et Dolores
- Francois DUGAS
- Membre
- Messages : 293
- Inscription : 04 août 2006, 17:42
- Bateau : Meggy 2, RM 1050, n° 79
- Localisation : Baden
Re: Thermostat réfrigérateur ISOTHERM COMPACT RM1050
OK. pour essayer de mettre une résistance en série sur le fil de la sonde en borne T.
Sans résistance, le compresseur tournerait plus vite, donc comsommerait plus.
Le thermostat d'origine, avec la sonde en extrémité du tube capillaire, possèderait une résistance pour limiter la vitesse de rotation du groupe.
Dans ce cas, je ne comprends pas ce qui est écrit sur le post d" 'hisse et oh", à savoir :
Résistance de 270 Ohms....... 2500 tours/minute
Résistance de 680 Ohms........3000 tours/minute
Le fait d' augmenter la valeur de la résistance devrait réduire la vitesse de rotation et non l'augmenter !!!
Merci, en tous cas à tous ceux qui cherchent à savoir le pourquoi du comment...
Sans résistance, le compresseur tournerait plus vite, donc comsommerait plus.
Le thermostat d'origine, avec la sonde en extrémité du tube capillaire, possèderait une résistance pour limiter la vitesse de rotation du groupe.
Dans ce cas, je ne comprends pas ce qui est écrit sur le post d" 'hisse et oh", à savoir :
Résistance de 270 Ohms....... 2500 tours/minute
Résistance de 680 Ohms........3000 tours/minute
Le fait d' augmenter la valeur de la résistance devrait réduire la vitesse de rotation et non l'augmenter !!!
Merci, en tous cas à tous ceux qui cherchent à savoir le pourquoi du comment...
-
pito
- Membre
- Messages : 48
- Inscription : 30 mai 2010, 20:10
- Bateau : Kermoam, RM 1060, n° 36
- Localisation : Séte
Re: Thermostat réfrigérateur ISOTHERM COMPACT RM1050
Je viens de voir dans la doc de Pierre qu'il y a le tableau des vitesses et consommations en fonction de la valeur de la résistance
CQFD
Cordialement
CQFD
Cordialement
Marc
- Francois DUGAS
- Membre
- Messages : 293
- Inscription : 04 août 2006, 17:42
- Bateau : Meggy 2, RM 1050, n° 79
- Localisation : Baden
Re: Thermostat réfrigérateur ISOTHERM COMPACT RM1050
Je viens de faire le test avec une résistance de 270 Ohms 0.25 Watts.
Pas de changement au niveau de la consommation qui persiste et signe à 4,8 Ampères.
Je m'avoue VAINCU !!!
Disposant des deux systèmes de thermostat, je vais ( peut être...) installer un inverseur pour tester l'un et l'autre en live.
Merci à tous de vous êtes penchés sur le problème.
FRANÇOIS
Pas de changement au niveau de la consommation qui persiste et signe à 4,8 Ampères.
Je m'avoue VAINCU !!!
Disposant des deux systèmes de thermostat, je vais ( peut être...) installer un inverseur pour tester l'un et l'autre en live.
Merci à tous de vous êtes penchés sur le problème.
FRANÇOIS
- Francois DUGAS
- Membre
- Messages : 293
- Inscription : 04 août 2006, 17:42
- Bateau : Meggy 2, RM 1050, n° 79
- Localisation : Baden
Re: Thermostat réfrigérateur ISOTHERM COMPACT RM1050
Bonsoir.
Je viens de trouver l'explication à la surconsommation électrique du réfrigérateur de mon RM1050, suite à l'installation d'un thermostat électronique.
C'est tout simplement que sur une connexion du fil de sonde (que j'avais commandée lors du remplacement d'origine !!!) au niveau su branchement sur le groupe, il y avait une petite rësistance mesurée à 670 Ohms montée en série.
Cette mini résistance de la taille d'un grain de riz était quasi impossible à voir, et c'est après avoir "guiké" pendant des heures sur ce satané frigo que, en ouvrant la connexion au bistouri (j'avais l'habitude d'ouvrir en tant que veto...) que j'ai ENFIN trouvé.
La résistance augmente la vitesse de rotation du groupe...donc sa consommation.
Sans cette satanée résistance, le frigo consomme 2,8 à 3 AMPÈRES.
CQFD.
Je viens de trouver l'explication à la surconsommation électrique du réfrigérateur de mon RM1050, suite à l'installation d'un thermostat électronique.
C'est tout simplement que sur une connexion du fil de sonde (que j'avais commandée lors du remplacement d'origine !!!) au niveau su branchement sur le groupe, il y avait une petite rësistance mesurée à 670 Ohms montée en série.
Cette mini résistance de la taille d'un grain de riz était quasi impossible à voir, et c'est après avoir "guiké" pendant des heures sur ce satané frigo que, en ouvrant la connexion au bistouri (j'avais l'habitude d'ouvrir en tant que veto...) que j'ai ENFIN trouvé.
La résistance augmente la vitesse de rotation du groupe...donc sa consommation.
Sans cette satanée résistance, le frigo consomme 2,8 à 3 AMPÈRES.
CQFD.
- Francois DUGAS
- Membre
- Messages : 293
- Inscription : 04 août 2006, 17:42
- Bateau : Meggy 2, RM 1050, n° 79
- Localisation : Baden
- Francois DUGAS
- Membre
- Messages : 293
- Inscription : 04 août 2006, 17:42
- Bateau : Meggy 2, RM 1050, n° 79
- Localisation : Baden
Re: Thermostat réfrigérateur ISOTHERM COMPACT RM1050
Une petite précision.
Le réfrigérateur fonctionne à merveille avac ce thermostat électronique.
Réglé sur une température minimum de 3 degrés, et une température maximum de 4,5 degrés, le groupe fonctionne avec des alternances de 5/6 minutes.
J'ai installé sur la porte fermant le "placard dans lequel se trouve le groupe" un ventilateur d'ordinateur de 6 cm de diamètre, branché sur la sortie ventilateur.
Ce ventilateur fonctionne en extraction de l'air puisé dans les fonds du bateau, et contribue ainsi à refroidir le groupe.
Avec une consommation de 3 Ampères quand le moteur tourne, la consommation moyenne est de l'ordre de 1,5 Ampères. (fin mai...ce n'est pas encore la grosse chaleur).
Le réfrigérateur fonctionne à merveille avac ce thermostat électronique.
Réglé sur une température minimum de 3 degrés, et une température maximum de 4,5 degrés, le groupe fonctionne avec des alternances de 5/6 minutes.
J'ai installé sur la porte fermant le "placard dans lequel se trouve le groupe" un ventilateur d'ordinateur de 6 cm de diamètre, branché sur la sortie ventilateur.
Ce ventilateur fonctionne en extraction de l'air puisé dans les fonds du bateau, et contribue ainsi à refroidir le groupe.
Avec une consommation de 3 Ampères quand le moteur tourne, la consommation moyenne est de l'ordre de 1,5 Ampères. (fin mai...ce n'est pas encore la grosse chaleur).
Qui est en ligne ?
Utilisateurs parcourant ce forum : Aucun utilisateur inscrit et 0 invité
Retour au site
Mon espace adhérent